Твердосплавные метчики Beltools
Содержание
1. Преимущества твердосплавных метчиков перед метчиками из быстрорежущих сталей
2. Линейки метчиков Beltools
3. Сплав К35С
4. Рекомендации
Преимущества твердосплавных метчиков перед метчиков из быстрорежущих сталей
Твердосплавные метчики обладают рядом преимуществ перед метчиками из быстрорежущих сталей таких как:
– возможность обрабатывать труднообрабатываемые материалы и материалы дающие в процессе обработки повышенный абразивный износ (закаленные стали с твердостью HRC 50…60 отбеленные чугуны с твердостью до HRC 50.
– высокий показатель в производительности процесса резьбонарезания. Скорость резания быстрее чем при нарезании резьбы быстрорежущими метчиками от 2-х до 10 раз.
– высокий показатель в стойкости инструмента.
По своей конструкции твердосплавные метчики в основном встречаются 2-х конструкций:
1 – метчики с прямыми стружечными канавками в отличии от быстрорежущих метчиков, которые по большей части производятся со спиральной подточкой, не имеют этот конструктивный элемент, так как их область их обработки в первую очередь материалы закаленные которые дают сыпучую стружку, и она не будет виться и направляться вниз к центру как на быстрорежущих метчиках. Метчики данной конструкции подходят в первую очередь для обработки сквозных отверстий, но и для обработки глухих.
2 – метчики с винтовой стружечной канавкой в отличии от метчиков из быстрорежущих сталей где в основном угол наклона 35-40 градусов, на твёрдосплавных метчиках этот угол соответствует 15 градусам. Метчики данной конструкции подходят в первую очередь для обработки глухих отверстий, но и возможно применение для нарезания резьбы сквозных отверстиях.
Линейки метчиков Beltools
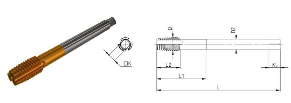
В каталоге инструмента Beltools есть линейка метчиков TTT701 – это линейка метчиков с прямыми стружечными канавками для нарезания метрической резьбы с крупным шагом из марки твердого сплава К35С. Данными метчиками рекомендуется нарезать резьбу в сквозных отверстиях, но допускается для нарезания глухих отверстий.


Геометрические размеры метчиков соответствуют стандартам DIN371 и DIN376. Класс точности нарезаемой резьбы 6Н.
Сплав К35С
При всех положительных сторонах метчиков из твердого сплава, они обладают рядом недостатков перед метчиками из быстрорежущей стали. Из-за своей высокой хрупкости метчики из твердого сплава требовательны к оборудованию, инструментальной оснастке, и самому процессу резьбонарезания в целом. Если метчики из быстрорежущей стали универсальны и могут работать как при нарезании резьбы вручную, так и металлорежущих станках с возможностью нарезания резьбы. После нарезания резьбы, перед тем как метчик на реверсивном вращении будет выходить из обработанного отверстия, на оборудовании с синхронизацией подачи и вращения возможны небольшое вытягивания резьбы и рабочей части метчика и твёрдосплавные метчики такое «вытягивание» не держат (так как твердый сплав не работает на растяжение-сжатие) и ломается. Поэтому для использования твердосплавных метчиков необходима инструментальная оснастка с функцией синхронизации и компенсации. Для того чтобы раскрыть весь потенциал твердосплавных метчиков необходимо оборудование с функцией синхронизации подачи метчика с его вращением. Оборудование должно обеспечивать необходимое количество оборотов, так как скорость резания твердосплавных метчиков 40-100 м/мин, и также необходимо брать на внимание, что оборудование будет работать в режиме постоянного разгона и торможения. Также необходимо более точно обработанное предварительное отверстие в заготовке, его позиционирование должно быть в оси с метчиком и сама заготовка должна быть жестко закреплена.
Рекомендации
Для нивелирования недостатков твёрдосплавных метчиков рекомендуем вместе с метчиками серий TTT701, TBT702 использовать резьбонарезные патроны Beltools с осевой компенсацией и синхронизацией c быстросъемными головками. Линейка патронов имеет хвостовики BT, конус Морзе и К. В патроны можно крепить метчики от М3 до М42. А быстросъемные головки помогут производить быструю переналадку патрона для нарезания разных размеров резьб. Благодаря патронам твердосплавные метчики можно использовать на оборудовании без синхронизации подачи и вращения инструмента и максимально раскрыть потенциал в стойкости и производительности TTT701, TBT702.
Можно заказать метчики твердосплавные beltools и патроны резьбонарезные на beltools.ru. Мы всегда готовы помочь, чтобы получить консультацию звоните +7 (800) 350-56-58 звонок по России бесплатный.
